• B4SS - BUCHSE
  • B4SS - BUCHSE
  • B4SS - BUCHSE
  • B4SS - BUCHSE
  • B4SS - BUCHSE
  • B4SS - BUCHSE
  • B4SS - BUCHSE
  • B4SS - BUCHSE

B4SS - BUCHSE

No.B4SS
BUCHSEN - B4SS
Befestigt Führungsräder präzise und rechtwinklig an einer Montagefläche.
Zu den Materialoptionen gehören Edelstahl 304 oder geschwärzter Kohlenstoffstahl.
Konzentrische und exzentrische Konfigurationen ermöglichen eine Anpassung der Passung.
Die Konstruktion sieht einen Befestigungsteil vor, der durch die Buchse und das Führungsrad verläuft und die Elemente an ihrer Position auf der Montagefläche fixiert.
Es sind Kopfhöhenkonfigurationen in Standard- und Niedrigprofilausführung erhältlich, die Flexibilität bei der Radhöhenposition bieten.
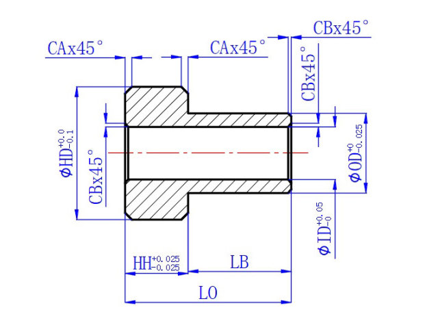
HH (mm)
11.099
LB (mm)
18.796
LO (mm)
29.895
Außendurchmesser (mm)
14.996
Innendurchmesser (mm)
9.525
HD (mm)
22.352
CA (mm)
0,4
CB (mm)
0,4
  • B4SS - BUCHSE
  • B4SS - BUCHSE
  • B4SS - BUCHSE
  • B4SS - BUCHSE

Beschreibung

Material: Edelstahl 304.
Wird für die Installation von W4SS- oder W4SSX-Führungsrädern verwendet.