• CRN63 -Laufrolle mit balligem Profil
  • CRN63 -Laufrolle mit balligem Profil
  • CRN63 -Laufrolle mit balligem Profil
  • CRN63 -Laufrolle mit balligem Profil

CRN63 -Laufrolle mit balligem Profil

No.CRN63ZZ CRN63.2RS
Anderer Code: CRN63-2ZR CRN63R CRN63Z CRNX63R zur Verwendung mit Kompaktschienen
Doppelreihiges Design.
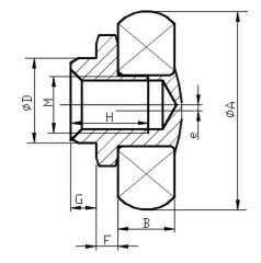
A (mm)
49,7
B (mm)
17,5
F (mm)
2.3
G (mm)
6
D (mm)
18
M (mm)
M10
Hmm)
16
e (mm)
0
Cr (N)
14660
C0r (N)
9100
Dichtungsart:
Stahlschild (ZZ)
Gummidichtung (2RS)
Fett:
Allgemein
HTG Hochtemperatur
lebensmittelechtes Fett
  • CRN63 -Laufrolle mit balligem Profil
  • CRN63 -Laufrolle mit balligem Profil

Beschreibung

Laufrollen mit balligem Profil - CRN63-2ZR CRN63R CRN63Z CRNX63R
Laufrollen der Serie CRN63... sind Präzisionskugellager, die allgemein in präzisen Linearführungen verwendet werden.
Sie werden mit Gummidichtungen bzw. Metallabdeckungen geliefert und sind auch mit konzentrischen und exzentrischen Drehzapfen erhältlich.

Material:
Lager: Hochwertiger Chromstahl oder martensitischer Edelstahl, zB 100Cr6 SUS440C
Drehpunkt: Hochwertiger Kohlenstoffstahl oder Edelstahl, z. B. 1045 SUS304