• RLN26 -Laufrolle mit balligem Profil
  • RLN26 -Laufrolle mit balligem Profil
  • RLN26 -Laufrolle mit balligem Profil
  • RLN26 -Laufrolle mit balligem Profil

RLN26 -Laufrolle mit balligem Profil

No.RLN26ZZ
Anderer Code: RLN26Z PCN26 RLN26.2Z RLN26ZZ RLNX26 zur Verwendung mit X-Schienen
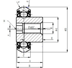
A (mm)
11.5
B (mm)
11.8
C (mm)
6
d (mm)
11.2
D (mm)
20.2
E (mm)
8
F (mm)
1
Hmm)
HEX4 DEEP2.8
M (mm)
BMW M5
R (mm)
20
e (mm)
0
Cr (N)
2250
C0r (N)
920
Gewicht (g)
13
Fett:
Allgemein
HTG Hochtemperatur
lebensmittelechtes Fett
  • RLN26 -Laufrolle mit balligem Profil
  • RLN26 -Laufrolle mit balligem Profil

Beschreibung

Laufrollen mit balligem Profil - RLN26Z PCN26 RLNX26
Laufrollen der Serie RLN26... sind Präzisionskugellager, die allgemein in präzisen Linearführungen verwendet werden.
Sie werden mit Gummidichtungen bzw. Metallabdeckungen geliefert und sind auch mit konzentrischen und exzentrischen Drehzapfen erhältlich.

Material:
Lager: Hochwertiger Chromstahl oder martensitischer Edelstahl, zB 100Cr6 SUS440C
Drehpunkt: Hochwertiger Kohlenstoffstahl oder Edelstahl, z. B. 1045 SUS304