• LFR50/8 N.2Z Laufrollen mit gotischer Bogennut
  • LFR50/8 N.2Z Laufrollen mit gotischer Bogennut
  • LFR50/8 N.2Z Laufrollen mit gotischer Bogennut
  • LFR50/8 N.2Z Laufrollen mit gotischer Bogennut

LFR50/8 N.2Z Laufrollen mit gotischer Bogennut

Andere Codes: LR36-008 LFR50/8N.2Z
Anwendung für lineare Hochgeschwindigkeitsbewegungen
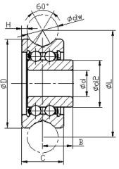
GRÖSSENCODE
LFR50/8 N.2Z
dw (mm) (Maße der Welle)
6
d (mm)
8
D (mm)
24
C (mm)
11
B (mm)
7
L (mm)
28
d2 (mm)
6.9
Hmm)
0
Cr (KN)
2.02
C0r (KN)
0,93
Grenzdrehzahl (U/min)
27000
Gewicht (g)
8
Dichtungsart:
Kernkraftwerk
KDD
Fett:
Lithiumfett
Individuell
  • LFR50/8 N.2Z Laufrollen mit gotischer Bogennut
  • LFR50/8 N.2Z Laufrollen mit gotischer Bogennut

Beschreibung

LFR50/8-6 Linearlager sind auch bekannt als LFR50/8-6 Hochgeschwindigkeits-Linearlager, LFR50/8-6 Geschwindigkeitsführungslager, LFR50/8-6KDD, LR36-008 LAGER, LFR50/8-6 Laufrolle, LFR50/8-6 U-Rillenlager.

Die Funktion der Rollen der Serie SG ist dieselbe wie die der Rollen der Serie LFR. Sie werden jedoch hauptsächlich in flachen Schienen und unter Bedingungen verwendet, die eine kompakte Struktur erfordern. Nachdem die Rollen am Schlitten installiert wurden, ragt die Welle nicht oder nur selten über die Seitenflächen der Rolle hinaus.