• LV20/8.2Z-Laufrollen mit „V“-Nutprofil - V-Lager
  • LV20/8.2Z-Laufrollen mit „V“-Nutprofil - V-Lager
  • LV20/8.2Z-Laufrollen mit „V“-Nutprofil - V-Lager
  • LV20/8.2Z-Laufrollen mit „V“-Nutprofil - V-Lager

LV20/8.2Z-Laufrollen mit „V“-Nutprofil - V-Lager

No.LV20/8.2Z LV20/8ZZ 2MD-30
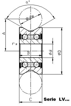
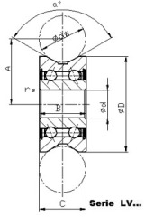
Laufrollen mit V-Nut-Profil - V-Lager
• Lager der LV-Serie können häufig in zylindrischen Schienen oder V-Profilschienen mit einem Winkel von 120 Grad verwendet werden. Anders als Lager der LFR-Serie sind Lager der LV-Serie besser an verschiedene Schienengrößen anpassbar. Jeder Typ kann mit einem größeren Bereich von Schienendurchmessern verwendet werden. Sie werden häufig für Hochleistungsschienen, mobile Geräte, Drahtrichtmaschinen usw. verwendet.
dw (mm)
10
d (mm)
8
D (mm)
30
B (mm)
14
C (mm)
14
A (mm)
18.1
α (Grad)
120
rs (mm)
0,3
Cr (KN)
5.13
C0r (KN)
2,67
Grenzdrehzahl (U/min)
19000
Gewicht (g)
49
  • LV20/8.2Z-Laufrollen mit „V“-Nutprofil - V-Lager
  • LV20/8.2Z-Laufrollen mit „V“-Nutprofil - V-Lager

Beschreibung

Laufrollen mit V-Nut-Profil - V-Lager

• Lager der LV-Serie können häufig in zylindrischen Schienen oder V-Profilschienen mit einem Winkel von 120 Grad verwendet werden. Anders als Lager der LFR-Serie sind Lager der LV-Serie besser an verschiedene Schienengrößen anpassbar. Jeder Typ kann mit einem größeren Bereich von Schienendurchmessern verwendet werden. Sie werden häufig für Hochleistungsschienen, mobile Geräte, Drahtrichtmaschinen usw. verwendet.
• Die Lager haben die gleiche Innenstruktur wie zweireihige Schrägkugellager und verfügen über einen dickwandigen Außenring, sodass die Lager höhere Belastungen aufnehmen können.
• Die Lager bestehen aus hochwertigem Lagerstahl, werden wärmebehandelt und präzise geschliffen und mit einem langlebigen, hochwertigen Mehrzweckfett gefüllt. Die Lager sind mit einer Metallabschirmung versehen, um Staub abzuhalten. YITONG kann die Lager auch mit konzentrischer oder exzentrischer Drehachse liefern.
• Die Lager haben einen Hinterschnitt am Boden der Nut am Außenring. Wenn die Anwendung diesen Hinterschnitt nicht zulässt, kann YITONG die technischen Anforderungen des Kunden erfüllen. Außerdem kann YITONG die Lager mit verschiedenen Winkeln des „V“-Profils akzeptieren.

Eigenschaften des Führungssystems, bei dem Lager der Serie LV zum Einsatz kommen:

1. Niedriger Widerstand, lange Lebensdauer, weit verbreitet
Die Rauheit der „V“-Profiloberfläche kann durch Präzisionsschleifen bis zu Ra0,32 erreicht werden. Die Lager weisen eine gute Parallelität zwischen der „V“-Profilnut und den Montageflächen des Innenrings auf. Beim Betrieb der Lager sind die Spannungen zwischen Lager und Zylinderlaufbahn gleich und der Reibungswiderstand gering.


2. Einfache Installation
Nachdem das Lager mit dem konzentrischen oder exzentrischen Zapfen montiert wurde, ist die Installation einfach. Um die Exzentrizität des Exzenters einzustellen, kann das Lager die passende Vorspannung erhalten.